Доброго всім дня. Розповім про свій досвід енергонезалежності. Маю електровелосипед. У нього акумулятор на 48 вольтів, ємністю 18 А*год, підключається через роз’єм XT60.
Під час перших відключень електрики, у жовтні 2023 року, подумав “Маю акумулятор, зарядне. Куплю інвертор і буде електрика”. Спочатку пошук не дорого інвертора з 48 В на 230 В, щоб мав чисту синусоїду на виході, для можливості заживити газовий котел.
Ціни ростуть, наявності немає, але придбав китайський інвертор на 1500 Вт. Розумію, що він навіть близько не видасть заявлену потужність. Але мені й не треба. Порахував своє приблизне споживання для освітлення, роутера і котла – максимум 300 Вт.
Підключення
На акумуляторі роз’єм XT60. Купляю такий роз’єм, припаюю дроти, підключаю. Працює! Перший етап є. Вже можна під’єднати подовжувач, а до нього приєднати роутер, “ONUшку”, переносну лампу, зарядку для телефону.
Інвертор працює не тихо, вентилятор “жужить” настирливо. Якось вмикаю інвертор, а він ще й вібрує. Розбираю. Виявилось, що обламались лопаті на вентиляторі. Маленька “жужалка” на 24 В. Що робити? Вирізаю отвір у кришці, прикріплюю вентилятор від процесорного кулера. Обдув кращий і тихіший. Естетично не гарно, ще й потрібен блок живлення для вентилятора. На 12В не було, був на 9В, але залишив як є.
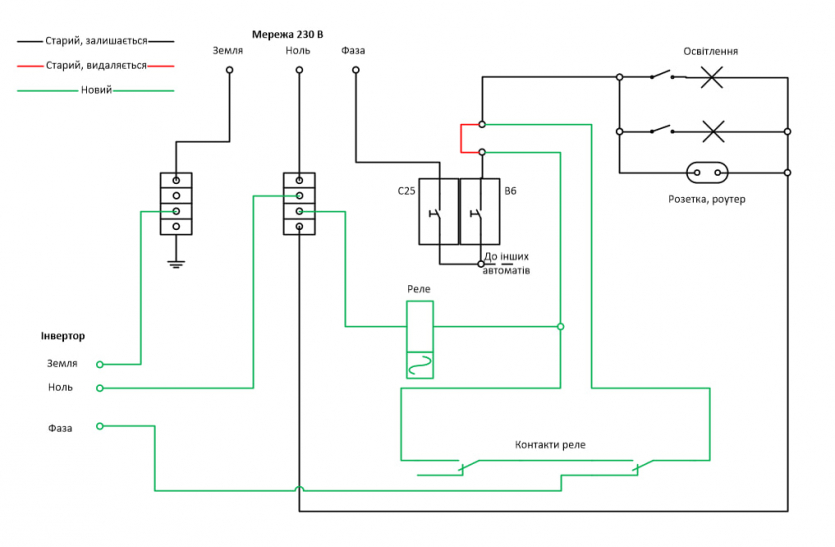
Потім дивлюся, що можна схему покращити, приєднати до щитка, зробити автоматичне перемикання.
Ідея: під’єднати через реле. Якраз було у мене японське реле Omron на 230 вольт змінного струму. Років 15 валялось в коробці, думав може знадобиться. (Тут анекдот про дохлу ворону). Знадобилось.
Малюю схему підключення інвертора
Перший варіант
Майже готово:

Остаточний варіант

Список необхідних матеріалів для підключення. Британська вилка типу G, щоб не підключити фазу на нуль. Провід ПВС 3*1, це з великим запасом для струму в 1А, але зручніше підключати. Підключаю, перевіряю, працює. Тепер дітям дозволяю вмикати інвертор.
Останньої зими, за пару хвилин до планового відключення вмикаю інвертор, коли електрика на вході пропадає, реле вимикається, підключає інвертор до навантаження. Перемикання на інвертор відбувається без вимкнення роутера. Коли з’являється електрика, реле вмикається, перемикає схему на роботу від мережі.
Автономність такої системи. Теоретична потужність АКБ 48В * 18 А*год = 864 Вт. Якщо навантаження буде 200 Вт, то вистачить на 4 години.
Акумулятор заряджається до 54.4В, тому що зарядний пристрій без індикації рівня заряду. Розряджати акумулятор дозволяється до 42В, але щоб продовжити життя акумулятора не розряджав нижче 43.5В, в тому числі при їзді на велосипеді.
Для освітлення, роутера, онушки, зарядки смартфонів вистачає на 12 годин. Пробував підключати котел, працює. Значить є синусоїда і нуль.
Зарядний пристрій 54В/2А. Це приблизно 100 Вт. Для повного заряду акумулятора необхідно 8 годин. Коли електроенергію вмикали тільки на 2 години був постійний недозаряд. Купив ще зарядний пристрій на 5А, він може повністю зарядити акумулятор за 3 години. Зазвичай використовую зарядний пристрій на 2А, тільки коли включення електроенергії на 2 години, то заряджаю зарядним на 5А.
Мої витрати: акумулятор, зарядне на 2А і реле були. Інвертор – 3500 грн, провід, вилка, роз’єм ще 1000 грн. Зарядний пристрій на 5А – 1200 грн.
Дякую за увагу. Схему підключення дарую.
Proove — це бренд який прагне стати тим вибором, до якого повертаються знову: коли потрібен аксесуар, що просто працює, виглядає сучасно і не викликає сумнівів. Proove хоче бути надійним технологічним партнером у повсякденних сценаріях.
Хочеш електросамокат Proove Model City Pulse 350W?
Розкажи, як ти економиш з електротранспортом або виживаєш без світла, і він може стати твоїм.
Конкурс дописів ITC.ua та Proove: пиши, перемагай, отримуй.
Електросамокат, портативна акустика та інше — серед призів!






Повідомити про помилку
Текст, який буде надіслано нашим редакторам: